Tanks
Pacific Radiator's Quality Tanks
Keep your projects on track with custom tank solutions
“You can trust that we are committed to a higher level of excellence from each individual in the organization. From the smallest to the biggest job from start to finish our customers come first.”
The difference in our tanks is dependability. With our in-house team of expert technicians, we design and manufacture custom solutions for a range of materials and applications. Your equipment specifications come first – we tailor our process to fit the job, deadline included. There’s no easier or more efficient way to get your tank replacement custom-crafted than with the experts at Pacific Radiator.
Choose your precision solution in:
- Brass
- Steel
Pacific Radiator Tanks
Our complete catalogue, at your fingertips.
Search Our Tank Inventory
Enter tank width (e.g., "22", "22 1/4") or model name
Showing 1-3 of 3 results
TK 97349
4 3/8" x 25 3/4"
This is a radiator tank for a generator.
Tank – 4 3/8″ x 25 3/4″
- Available for Order
- Manufacturer: Generator
| Name | Type | Height | Width | Depth | Top Tank # | Top Tank | Btm Tank # | Btm Tank |
|---|---|---|---|---|---|---|---|---|
| IN 97347 | Core | 32 1/2 | 25 1/2 | 4 | — | TK 97349 TOP | — | — |
TK 61485
3 7/8" x 15 1/4"
Tank – 3 7/8″ x 15 1/4″
- Available for Order
- Manufacturer: Generator
| Name | Type | Height | Width | Depth | Top Tank # | Top Tank | Btm Tank # | Btm Tank |
|---|---|---|---|---|---|---|---|---|
| IHLF 61484 | Core | 30 1/8 | 14 9/16 | 2 11/16 | TK 61485 | 1 3/4" OD | — | — |
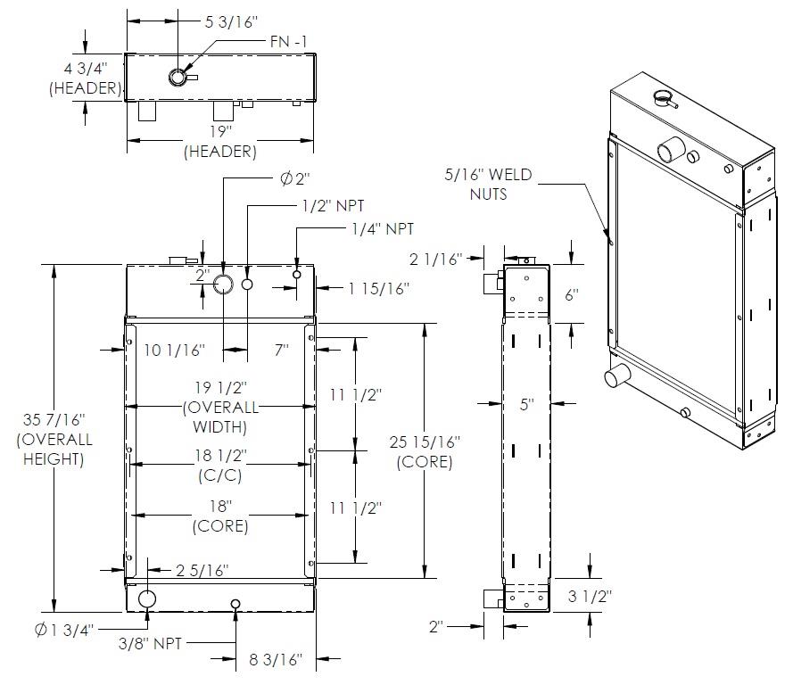
TK 57883
4 3/4" x 19"
1/2″ DEEP DROP SEAM HEADERS
3/8″ DSR
0.075 STEEL TANKS
Tank – 4 3/4″ x 19″
- Available for Order
- Manufacturer: Generator
| Name | Type | Height | Width | Depth | Top Tank # | Top Tank | Btm Tank # | Btm Tank |
|---|---|---|---|---|---|---|---|---|
| IH 104559 | Core | 25 15/16 | 18 | 3 5/8 | — | — | — | — |

























































