Tanks
Pacific Radiator's Quality Tanks
Keep your projects on track with custom tank solutions
“You can trust that we are committed to a higher level of excellence from each individual in the organization. From the smallest to the biggest job from start to finish our customers come first.”
The difference in our tanks is dependability. With our in-house team of expert technicians, we design and manufacture custom solutions for a range of materials and applications. Your equipment specifications come first – we tailor our process to fit the job, deadline included. There’s no easier or more efficient way to get your tank replacement custom-crafted than with the experts at Pacific Radiator.
Choose your precision solution in:
- Brass
- Steel
Pacific Radiator Tanks
Our complete catalogue, at your fingertips.
Search Our Tank Inventory
Enter tank width (e.g., "22", "22 1/4") or model name
Showing 1-7 of 8 results
TK 94759
4 1/2" x 22 1/4"
1/2″ Deep Drop Seam Header
0.05″ Brass Tanks
Tank – 4 1/2″ x 22 1/4″
- Available for Order
- Manufacturer: Perkins
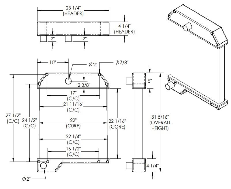
TK 62917
4 1/4" x 23 1/4"
Tank – 4 1/4″ x 23 1/4″
- Available for Order
- Manufacturer: Perkins
| Name | Type | Height | Width | Depth | Top Tank # | Top Tank | Btm Tank # | Btm Tank |
|---|---|---|---|---|---|---|---|---|
| PC 62916 | Core | 22 1/16 | 22 | 2 1/2 | — | TK 62917 TOP | — | — |
TK 39919
1 7/8" x 21 3/8"
Tank – 1 7/8″ x 21 3/8″
- Available for Order
- Manufacturer: Perkins
TK 24616
1 7/8" x 13 3/4"
Tank – 1 7/8″ x 13 3/4″
- Available for Order
- Manufacturer: Perkins
| Name | Type | Height | Width | Depth | Top Tank # | Top Tank | Btm Tank # | Btm Tank |
|---|---|---|---|---|---|---|---|---|
| TQ LF 25414 | Core | 18 1/4 | 14 1/2 | 1 5/8 | TK 24616 | 1 1/4" CON. | — | — |
| PC 24515 | Core | 18 1/4 | 14 1/2 | 1 1/4 | TK 24616 | 1 1/4" CON. | — | — |
TK 23281
4 3/4" x 17 3/4"
Tank – 4 3/4″ x 17 3/4″
- Available for Order
- Manufacturer: Perkins
| Name | Type | Height | Width | Depth | Top Tank # | Top Tank | Btm Tank # | Btm Tank |
|---|---|---|---|---|---|---|---|---|
| SH LF 28071 | Core | 22 7/16 | 17 3/4 | 3 3/16 | TK 23281 | 2" CON. | — | — |
| TD LF 29834 | Core | 19 1/4 | 17 3/4 | 4 | TK 23281 | 2" CON. | — | — |
| TL LF 23280 | Core | 31 1/2 | 17 3/4 | 4 | TK 23281 | 2" CON. | — | — |
| TL LF 26040 | Core | 22 1/2 | 17 3/4 | 4 | TK 23281 | 2" CON. | — | — |
TK 23275
3 1/2" x 21 7/8"
Tank – 3 1/2″ x 21 7/8″
- Available for Order
- Manufacturer: Perkins
| Name | Type | Height | Width | Depth | Top Tank # | Top Tank | Btm Tank # | Btm Tank |
|---|---|---|---|---|---|---|---|---|
| PC 1396 | Core | 19 5/8 | 22 | 1 5/8 | TK SPEC 1291 | 1 3/4" CON. | — | — |
TK 23278
1 7/8" x 13 5/8"
Tank – 1 7/8″ x 13 5/8″
- Available for Order
- Manufacturer: Perkins
| Name | Type | Height | Width | Depth | Top Tank # | Top Tank | Btm Tank # | Btm Tank |
|---|---|---|---|---|---|---|---|---|
| PC 1396 | Core | 20 1/2 | 14 1/8 | 1 5/8 | — | TK 23278 Top | — | — |

























































